160A~800A真空接触器
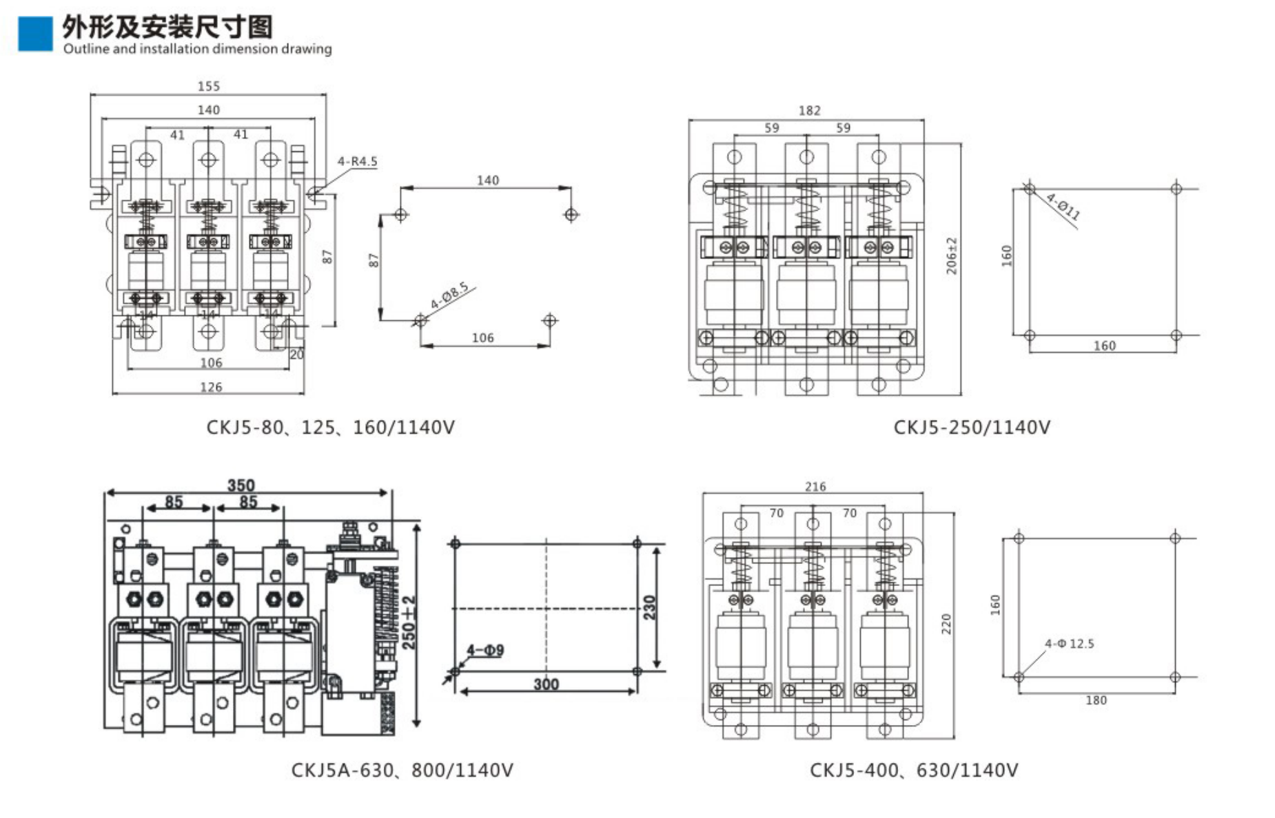
CKJ5系列交流接触器适用于交流50-60HZ主回路额定电压为1.14KV﹐额定电流为80A、125A、160A、250A、400A、630A的电力网络系统中,供远距离接通和分断以及频繁启动和控制交流电动机、变压器及电容器组等场合。特别适用于智能型低压预付费计量箱中,作为主开关使用。
CKJ5Y系列永磁真空接触器,采用先进可靠的永磁操作机构,合闸后靠永磁铁保持,无需电源长期带电,智能判断,模糊控制,通电吸合,通电分闸,免辅助开关控制,内置防跳功能。全程无触点控制,可以频繁操作,使用寿命长,从根本上杜绝了欠压、机械卡滞、触点粘连等故障引发的烧线圈。控制合闸后无电压运行,不会对绝缘造成损伤,控制简单可靠脉冲信号控制)节能省电,利于大量推广。
产品概述
CKJ5系列交流接触器适用于交流50-60HZ主回路额定电压为1.14KV﹐额定电流为80A、125A、160A、250A、400A、630A的电力网络系统中,供远距离接通和分断以及频繁启动和控制交流电动机、变压器及电容器组等场合。特别适用于智能型低压预付费计量箱中,作为主开关使用。
CKJ5Y系列永磁真空接触器,采用先进可靠的永磁操作机构,合闸后靠永磁铁保持,无需电源长期带电,智能判断,模糊控制,通电吸合,通电分闸,免辅助开关控制,内置防跳功能。全程无触点控制,可以频繁操作,使用寿命长,从根本上杜绝了欠压、机械卡滞、触点粘连等故障引发的烧线圈。控制合闸后无电压运行,不会对绝缘造成损伤,控制简单可靠
脉冲信号控制)节能省电,利于大量推广。
详细技术参数
参数名称 型号 | CKJ5Y-80/1140 | CKJ5Y-125/1140 | CKJ5Y-160/1140 | CKJ5Y-250/1140 | CKJ5Y-400/1140 | CKJ5Y-630/1140 | |
主回路额定电压 | (V) | 1140 | 1140 | 1140 | 1140 | 1140 | 1140 |
主回路额定电流 | (A) | 80 | 125 | 160 | 250 | 400 | 630 |
主回路关合能力 | (A/100次) | 800 | 1250 | 1600 | 2500 | 4000 | 6300 |
主回路通断能力 | (A/10次) | 600 | 1000 | 1600 | 2000 | 3200 | 5000 |
极限分断能力 | (A/3次) | 800 | 1200 | 3200 | 4500 | 4500 | 6300 |
电寿命AC3 | (万次) | 60 | 60 | 60 | 60 | 60 | 60 |
机械寿命 | (万次) | 100 | 100 | 100 | 100 | 100 | 100 |
额定操作频率AC3 | (次h) | 100 | 100 | 100 | 100 | 100 | 100 |
触头开距 | (mm) | 1.8±0.2 | 1.8±0.2 | 1.8±0.2 | 2±0.2 | 2±0.2 | 3±0.2 |
超行程 | (mm) | 1.0±0.2 | 1.0±0.2 | 1.0±0.2 | 1.0±0.2 | 1.0±0.2 | 1.0±0.2 |
二次控制电压 | (V) | AC或DC:110/220/380或定制 | |||||

- 上一个:24KV系列高压真空接触器
- 下一个:250A~800A低压真空接触器



